|
引言 节能是液压技术面临的新课题之一,产品在如何满足具有适宜的性能价格比、不提高综合运行成本的前提下达到最大的节能效果,是一个值得探讨的领域。我们将节能理念应用于液压系统设计中,采用了一些有效的节能方案,取得了较为满意的效果。 1问题描述 造成液压系统效率低的根本原因是功率不匹配,即系统的输出压力ps、输出流量Qs与执行元件所需的压力pL、流量QL不匹配。当流量不匹配,Qs> QL时,则产生溢流损失;当压力不匹配,ps>pL时,则产生压力损失。因此提高液压系统效率的基本途径,是使系统的输入功率与执行元件的输出功率相匹配,功率匹配程度愈高,系统效率愈高。 2节能的基本实现途径 2·1合理泄荷 2·1·1应用卸荷阀的控制回路 如图1,夹轮器液压系统原理图。 根据翻车机卸车线对夹轮器执行机构的控制要求,当整条卸车线正常工作时,夹轮器装置一直维持在高压夹紧状态,此时,系统需不断补充高压油以补充泄漏,若采用常规控制方法势必引起大量的功率损耗,造成系统发热及能量浪费。 
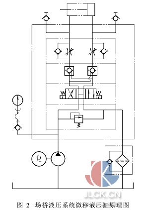
根据这样的工作特点,我们可在双联泵的压力油出口处设置卸荷阀和蓄能器。由卸荷阀的自身性能我们知道,当出口压力达到其设定值时,就会使由P到T的油路导通,低压卸荷。夹轮器夹紧时,电液换向阀带电,双联泵与蓄能器一起向液压缸供油,当液压缸带动执行机构夹紧车轮时, A口压力升高使大泵出口处卸荷阀的单向阀锁闭,此时大泵低压卸荷,只有小泵单独供油(小泵出口处卸荷阀的设定值要高于大泵),至压力继电器设定压力时,继电器发讯,电磁球阀和电液换向阀同时断电,实现夹轮保压功能。 这样不仅降低了功率损耗,减少了系统的发热,还将有效延长泵和电机的使用寿命。 2·1·2应用换向阀的卸荷回路 如图2,场桥液压系统微移液压缸原理图。 该液压控制回路选用的是H型机能的三位换向阀,当该液压缸执行微移动作时,电磁换向阀带电,压力油进入液压缸有杆腔或无杆腔,动作到位后,检测信号将控制电磁换向阀断电,液控单向阀保压,同时泵就可以通过换向阀的中位卸荷。 采用具有中位卸荷机能的三位换向阀使液压泵卸荷的这种方法简单、可靠,除H型机能外, M、K型机能也可以达到中位卸荷功能,这种方法适用于低压、小流量的液压系统;应用于高压、大流量系统时,为使泵在卸荷时仍能提供一定的控制油压(2~3bar),可在泵的出口处(或回油路上)增设一单向阀(或背压阀),但这将同时使泵的卸荷压力增加。 另外,还可以采用二位二通阀的卸荷回路,这种卸荷回路,二位二通阀的规格必须与泵的额定流量相适应,因此这种卸荷方式不适用于大流量的场合,且换向时会产生液压冲击,通常用于泵的额定流量小于63L/min的液压系统。 
2·2合理选择动力源类型 2·2·1应用多级泵的供油回路 如图3,焦炉设备中推焦机液压系统动力源部分。 通过分析系统的各种实际功能要求,从节能的角度我们选用了两个双联泵(流量一大一小)。两个双联泵通过压力油出口处的溢流阀可以调定出相同或者不同的工作压力,选用不同的组合方式就可以得到三种不同的系统流量值。当使用大流量(小流量)的泵时,小流量(大流量)的泵就可以通过溢流阀低压卸荷。因此,合理选择动力源类型,能找到更多的节能途径。这种回路功率利用合理,效率较高。 
2·2·2应用容积调速回路和联合调速回路 利用改变变量泵或变量液压马达的排量来调节执行元件运动速度的回路,称为容积调速回路。这种调速回路无溢流损失和节流损失,故效率高、发热少,适用于高压大流量、大功率设备的液压系统。 联合调速回路无溢流损失,其效率比节流调速回路高。在采用联合调速方式中,应区别不同情况而选用不同方案:对于进给速度要求随负载的增加而减少的工况,宜采用限压式变量泵节流调速回路;对于在负载变化的情况下进给速度要求恒定的工况,宜采用稳流式变量泵节流调速回路;对于在负载变化的情况下,供油压力要求恒定的工况,宜采用恒压变量泵节流调速回路。 2·3蓄能器的合理应用 2·3·1应用蓄能器作辅助动力源 如图4为我公司为秦皇岛设计的夹轮器液压系统原理图。 工作开始时,恒压变量泵启动,当压力达到顺序阀的设定值,顺序阀打开给蓄能器充油,当充油压力达到泵的调定值时,泵处于恒压卸荷状态,蓄能器充油完成。 夹紧动作执行时,蓄能器通过单向阀2与泵一起向液压缸供油,满足液压缸快速夹紧的动作要求,夹紧到位,单向阀1封住保压,压力继电器发出联锁信号,可以执行本工作周期的下一步动作。 这种控制思路可应用于总的工作时间较短的间歇工作系统或在一个工作循环内速度差别很大的系统。使用蓄能器作辅助动力源可降低泵的功率,提高效率,降低温升,节省能源,故系统设计时,只需按平均流量选用泵,从而使泵的选用和功率利用更合理。 
2·3·2利用蓄能器回收能量 简单的说就是利用液压泵与蓄能器共同组成具有压力-能量转换的装置,蓄能器将运动部件的动能和下落质量的位能以压力能的形式回收和利用,从而减小系统能量损失和由此引起的发热。 例如,在电梯液压控制系统中,电梯下行时,轿厢的势能和动能通过压力-能量转换装置将压力能存储到蓄能器中,这样电梯上行时,蓄能器就可以利用存储的能量为主回路电机轴提供附加动力。 又如,为了防止行走车辆在频繁制动中将动能全部经制动器转化为热能,可在车辆行走系的机械传动链中加入蓄能器,将动能以压力能的形式回收利用。这样不仅降低了液压系统的装机功率,在减少能量损失上也具有现实意义。 2·4元件选型的影响 在液压元件的选型上,应尽量选用那些效率高、能耗低的。选用效率高的变量泵,根据负载的需要改变压力,可节约能源的损耗;选用集成阀可以减小管路的压力损失;还可以通过选用压降小、可连续控制的比例阀等达到降低能耗的目的。 另外,各类控制元件应根据其在系统中相应位置可能出现的最大压力和流量来确定其规格,不宜过大或过小。对于系统管路,应尽量缩短管长,减小弯曲,弯曲处的角度不宜过小(通常应≥90°);应根据管道类型合理选择管中流速,管路系统应尽量采用集成化方式进行连接。设计方案中还应注意优化管路系统,在满足功能要求的前提下,力求系统简单可靠,避免冗余的元件和油路,以达到节能效果。 3结论 传统液压系统的设计主要考虑系统的工作能力、可靠性及成本,不太注意系统的效率,致使系统的效率大多维持在50%左右,造成能量损耗过大,因此就存在极大的节能空间。 节能主要是通过降低能量损耗来实现的,液压系统的能量损耗主要包括各种不作用于执行器的压力损耗、流量损耗和原动机损耗等。因此,设计液压系统时必须多途径地考虑降低系统的功率损失。 摘自:中国计量测控网
|