|
1 安全仪表系统(SIS)设计原则 石油化工装置相关设备进入故障状态运行,将会导致危险可能发生。安全仪表系统(SIS)逻辑应按故障-安全方式设计。顾名思义,“故障-安全”中的“故障”是指装置安全仪表系统(SIS)相关设备发生故障,它分为两类:显性故障(overt fault)和隐性故障(covert fault)[1]。 1) 显性故障 指能够显示自身存在的故障。如系统断电、控制系统卡件故障等,故障会立即被检测出并产生状态报警,在经预设判断确定不能保证完成安全功能时,系统会执行停车动作,使装置处于安全状态。 2) 隐性故障 指不能显示自身存在的故障,即不对危险产生报警,并允许危险发展的故障。隐性故障是一种危险的故障,隐性故障一旦出现,系统将因故障的存在而无法动作,使生产装置陷入危险的境地。例如系统因常闭触点“粘连”不能正确打开、执行元件如球阀处于“抱死”状态不能关闭,安全仪表系统(SIS)联锁停车却动作不了等,后果不堪设想。 显性故障不影响SIS的安全性,但影响系统的可用性;隐性故障则反之。 安全仪表系统(SIS)重要目标之一是减少隐性故障。检测元件、执行元件是隐性故障的重灾区,这对检测元件、执行元件的设计提出了明确要求: 1) 逻辑设计时输入输出信号常开、常闭的选择应以减少故障,尤其将隐性故障减少到最小为原则。 2) 电源故障时应为安全状态 如果执行元件为电磁阀,安全仪表系统(SIS)输出至电磁阀的开关量信号应为常闭(NC)信号,使得电磁阀处于常带电(励磁)状态,保证故障时电磁阀失电,相应安全保护动作执行,使受控设备处于安全状态。 3) 气源故障时应为安全状态 当执行元件为气动控制阀时,阀门在选型时即考虑当气源故障时,阀门将回到令工艺安全的阀位(全开或全关)。 2 聚酯装置热媒系统工艺流程 热媒是给整个聚酯生产装置提供热量的导体。聚酯装置的热媒系统包括一次热媒、二次热媒。由热媒站供给整个装置的330℃热媒称为一次热媒。装置中不同设备、管线有不同的温度要求,相应设置各自的加热回路,称为二次热媒。 聚酯装置中除第一、二酯化反应器夹套及汽相管、第一预缩聚反应器夹套及缩聚系统汽相管路使用汽相热媒供热外,包括酯化、第一预缩聚反应器内盘管在内的五台反应器、乙二醇分离塔、乙二醇蒸发器等设备、反应器间的物料夹套管等采用液相热媒加热、保温。 由热媒站送来的每个二次热媒都有各自的温度调节回路,液相回路通过调节一次热媒的补充量来改变二次热媒加热的温度,汽相回路通过调节一次热媒的流量来调节汽相热媒温度,从而控制反应的温度,实现不同的温度控制要求。各温度调节回路的二次热媒汇集送回热媒站加热升温,循环使用。以第一酯化反应器的温度控制为例(见图1)。 一次热媒系统由热媒炉、热媒泵以及热媒总管和热媒膨胀槽组成(见图2、图3)。   
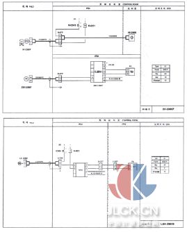
一次热媒系统是一个完整的闭合循环回路,热媒通过热媒泵从热媒炉顶部进入炉内盘管,加热并从炉底输出进入热媒总管。热媒供聚酯装置总管温度设计控制在330℃左右,一次热媒系统回路上设有热媒膨胀槽23-T01(设置在聚酯装置的最高点),以补偿热媒在循环回路中由于温度变化所产生的热膨胀或收缩,保证一次热媒系统正常稳定运行,同时热媒膨胀槽23-T01对二次液相热媒系统用户的循环管路具有脱气、脱水的作用。在一次热媒循环系统供、回总管之间设有差压控制回路PdIC-50004,用来控制总管传热热媒的流动压差,以确保一次热媒系统的供给流量,从而完成一次热媒系统与二次热媒系统之间的热量传递。 另外设置液相热媒低点收集槽23-T02用于收集设备管线检修时排放的液相热媒,当某个二次回路的热媒需要排放时,先收集在23-T02中,再用泵送回热媒站;及汽相热媒收集槽23-T03用于收集汽相热媒排放。紧急情况时,一旦热媒膨胀槽23-T01压力不能维持,联锁停热媒炉,加热系统将停止运行,须停止进料,开始停止反应并排废。 3 热媒系统中的安全控制设计 (1) XV-23007 热媒膨胀槽23-T01的作用是维持循环系统的恒定压力。 ① 工艺方案 管道2502伸至23-T01内部,若压力升高,则自管内溢流到23-T01内部;若压力下降,则经由XV-23007自动补充。因此,XV-23007起定压作用。 ② XV-23007状态 * 正常时,由于其定压作用,所以XV为阀开(open);此时,气路畅通,但被电磁阀切断。 * 气源故障时,XV为阀开(open),因为阀设计时即为F.O.,考虑到安全状态;此时,气路断。 * 紧急情况时,XV为阀关(close),ZS/C信号送热媒站停炉;此时,气路通,通过HS-23006,令电磁阀得电开启,气源到达膜头,阀门关闭。 (2) 热媒炉联锁停炉信号回路分析 原则:安全栅的relay应为常带电(energised)状态 (3) F.O.(Failure Open)阀的正/反作用确定 原则:①满足控制的要求 ②符合工艺人员手动操作时的感性认识 例:PdV-50004 Pd上升→需PdV阀开度加大 ∵ PdV为F.O.,即气关,气信号增加→PdV阀开度减小 ∴ Pd上升→需气信号下降→PdV阀开度加大,即反作用; 方法:将控制点的作用方向设为反作用,以满足自动控制时的信号要求。 问题:手动时,因为是气关阀,零信号时,阀为全开,∴给20%的输出信号时,阀杆会停在80%的位置,即信号上升→阀门开度减小,不符合人的感性认识。 方法:将控制点的作用方向仍然设为正作用,而在AO点的组态中,将Set Details项设为ReverseOutput。 如此,即可同时满足①&②原则。  
4 结束语 热媒系统的正常运行是整个聚酯生产装置至关重要的部分,应当从工艺、控制、操作等各个细节完善其安全控制设计。 摘自:中国计量测控网
|